RHM 30
FLOW SENSOR
The RHM 30 is available with a wide choice of material options to suit benign and aggressive applications. Heavy duty variants meet high pressure and high temperature needs while providing the highest accuracy performance.
- Range: 10 kg/min up to 900 kg/min
- Pressure: up to 405 bar (5874 psi)
- Temperature: -196°C (-321°F) up to +350°C (662°F)
- Accuracy: 0.1 % of rate
- Materials: SS 316L / SS 316Ti, Alloy C22 – 2.4602, Super Duplex – 1.4410, Tantalum – UNS R05200
- Process Connection: 1 ¼" up to 3"
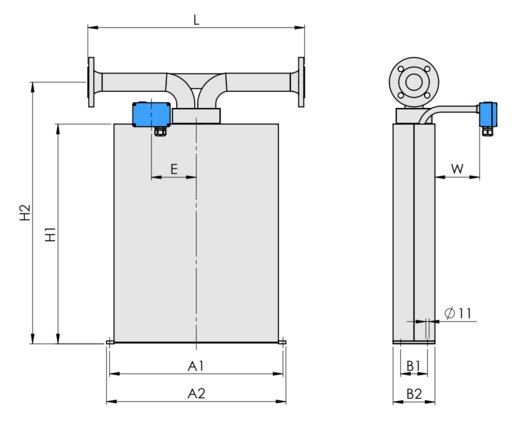
Face to Face dimension
Manifold design with flange connections
parallel tube / dual path

Process Connection | Face to Face (L) |
|---|---|
ANSI 2" 150#RF | 725 mm / 28.54 in |
ANSI 2" 300#RF | 725 mm / 28.54 in |
ANSI 2" 600#RF | 725 mm / 28.54 in |
DIN DN50/PN40 Form B1 | 725 mm / 28.54 in |
DIN DN50/PN100 Form B2 | 725 mm / 28.54 in |
Dimension | mm / in |
|---|---|
A1 | 580 mm / 22.83 in |
A2 | 600 mm / 23.62 in |
B1 | 90 mm / 3.54 in |
B2 | 140 mm / 5.51 in |
H1 | 735 mm / 28.94 in |
H2 | 875 mm / 34.45 in |
E | 150 mm / 5.91 in |
W | See Datasheet |
Sealless design with flange connections
parallel / dual path

Process Connection | Face to Face (L) |
|---|---|
ANSI 3" 150# RF/SF | 725 mm / 28.54 in |
ANSI 3" 300# RF/SF | 725 mm / 28.54 in |
ANSI 3" 600# RF/SF | 725 mm / 28.54 in |
ANSI 3" 900# RF/SF | 725 mm / 28.54 in |
ANSI 3" 1500# RF/SF | 725 mm / 28.54 in |
ANSI 3" 900# RTJ | 725 mm / 28.54 in |
ANSI 3" 1500# RTJ | 725 mm / 28.54 in |
ANSI 3" 2500# RTJ | 900 mm / 35.43 in |
DIN DN80/PN40 Form B1 | 725 mm / 28.54 in |
DIN DN80/PN100 Form B2 | 725 mm / 28.54 in |
DIN DN80/PN320 with gaskets | 725 mm / 28.54 in |
Dimension | mm / in |
|---|---|
A1 | 580 mm / 22.83 in |
A2 | 600 mm / 23.62 in |
B1 | 90 mm / 3.54 in |
B2 | 140 mm / 5.51 in |
H1 | 735 mm / 28.94 in |
H2 | 875 mm / 34.45 in |
E | 150 mm / 5.91 in |
W | See Datasheet |
Sealless design with threaded connections
serial / single path

Process Connection | Face to Face (L) |
|---|---|
Sanitary 1.5" Triclamp, DIN 32676 | 300 mm / 11.81 mm |
Sanitary NW32, DIN 11851 | 300 mm / 11.81 mm |
Dimension | mm / in |
|---|---|
A1 | 580 mm / 22.83 in |
A2 | 600 mm / 23.62 in |
B1 | 90 mm / 3.54 in |
B2 | 140 mm / 5.51 in |
H1 | 735 mm / 28.94 in |
H2 | 875 mm / 34.45 in |
E | 150 mm / 5.91 in |
W | See Datasheet |
Common Dimensions for all Construction Types
Standard blue aluminum terminal box, size = 125 x 80 x 57 mm (4.92 x 3.15 x 2.24 in)
Terminal boxes are supplied with an M20 x 1.5 cable entry and a polyamide compression cable gland fitting (for cable diameters 7 - 14 mm / 0.28 - 0.56 in). M25 x 1.5, 1⁄2” NPT, 3⁄4” NPT cable entries (without gland) are optionally available and must be ordered separately
Optionally available: SS 316 box, size = 100 x 100 x 61 mm (3.94 x 3.94 x 2.40 in) – only with remote transmitter




