RHM 40
FLOW SENSOR
The RHM 40 Coriolis sensor offers a low pressure drop and exceptional turndown capability. Designed for general process applications, the RHM 40 is available with a choice of materials and the highest pressure ratings.
- Range: 20 kg/min up to 1500 kg/min
- Pressure: up to 433 bar (6280 psi)
- Temperature: -196°C (-321°F) up to +350°C (662°F)
- Accuracy: 0.1 % of rate
- Materials: SS 316L / SS 316Ti, Alloy C22 – 2.4602, Super Duplex – 1.4410
- Process Connection: 3" up to 3"
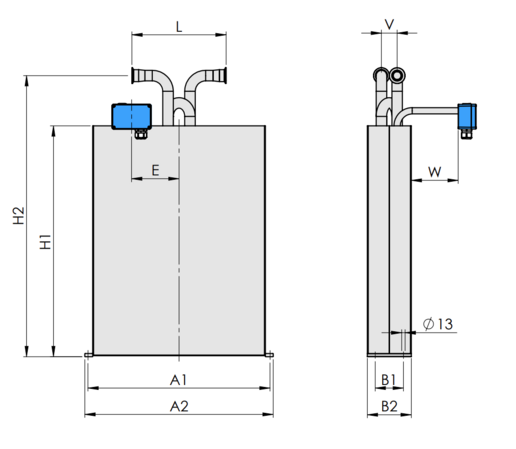
Face to Face dimension
Sealless design with flange connections
parallel / dual path

Process Connection | Face to Face (L) |
|---|---|
Flange ANSI 3" 150# RF/SF | 725 mm / 28.54 in |
Flange ANSI 3" 300# RF/SF | 725 mm / 28.54 in |
Flange ANSI 3" 600# RF/SF | 725 mm / 28.54 in |
Flange ANSI 3" 900# RTJ | 725 mm / 28.54 in |
Flange ANSI 3" 1500# RTJ | 725 mm / 28.54 in |
Flange ANSI 3" 2500# RTJ | 725 mm / 28.54 in |
Flange DIN DN80/PN40 Form B1 | 725 mm / 28.54 in |
Flange DIN DN80/PN100 Form B2 | 725 mm / 28.54 in |
Dimension | mm / in |
|---|---|
A1 | 690 mm / 27.17 in |
A2 | 720 mm / 28.35 in |
B1 | 143 mm / 5.63 in |
B2 | 180 mm / 7.09 in |
H1 | 963 mm / 37.91 in |
H2 | 1153 mm / 45.39 in |
E | 250 mm / 9.84 in |
W | See Datasheet |
Sealless design with threaded connections
serial / single path

Process Connection | Face to Face (L) |
|---|---|
Sanitary 2" Triclamp, DIN 32676 | 400 mm / 11.81 in |
Sanitary NW50, DIN 11851 | 400 mm / 11.81 in |
Dimension | mm / in |
|---|---|
A1 | 690 mm / 27.17 in |
A2 | 720 mm / 28.35 in |
B1 | 143 mm / 5.63 in |
B2 | 180 mm / 7.09 in |
H1 | 963 mm / 37.91 in |
H2 | 1153 mm / 45.39 in |
E | 250 mm / 9.84 in |
W | See Datasheet |
Common Dimensions for all Construction Types
Standard blue aluminum terminal box, size = 125 x 80 x 57 mm (4.92 x 3.15 x 2.24 in)
Terminal boxes are supplied with an M20 x 1.5 cable entry and a polyamide compression cable gland fitting (for cable diameters 7 - 14 mm / 0.28 - 0.56 in). M25 x 1.5, 1⁄2” NPT, 3⁄4” NPT cable entries (without gland) are optionally available and must be ordered separately
Optionally available: SS 316 box, size = 100 x 100 x 61 mm (3.94 x 3.94 x 2.40 in) – only with remote transmitter



